电液动锥形双层卸灰阀
工作原理与结构特点
电液动锥形双层卸灰阀是采用电液推杆带动连杆机构或电液动回转达器直接带动上下主轴使锥形阀芯组件轮流启闭,当上阀门开启时,下阀门关闭;上阀门关闭时,下阀门开启;实现阀门卸灰控制与锁气的目的。该阀门由于采用了耐磨锥形阀芯结构,显着地延长阀门的使用寿命;改善了阀门的密封性能,提高了除尘效果;是企业实现无尘化生产所必备的产品。根据需要可实现现场控制、远程开关控制及远程4-20mA电流信号工业计算机实时控制。
应用范围
该阀是一种实用性很强的新型换代产品,广泛应用于冶金、矿山、电力、建材、化工、食品等行业的通风除尘或物料输送系统中,是一种理想的流量调节和工业控制装置。
型号编制说明

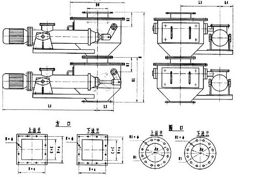
系列型号外形图及参数表

(图一)

电动锥形双层卸灰阀
工作原理与结构特点
电动锥菜双层卸灰阀是采用减速电机通过凸轮或曲柄连杆带动上下主轴及锥形阀芯组件轮流回转,当上阀门开启时,下阀门关闭;上阀门关闭时,下阀门开启;实现阀门卸灰控制与锁年的目的。该阀门由于采用了耐磨锥形阀芯结构,显著延长了阀门的使用寿命;改善了阀门的密封性能,提高了除尘效果;同时该结构电气控制更加简化,电机减速机的定向旋转避免了设备因反转碰撞而产生的故障,使设备更安全;是企业实现无尘化生产所必备的首选产品。根据卸灰量的大小,通过对电机变频调速,实现物料流量的自动控制。
应用范围
电动锥形双层卸灰阀是一种应用性很强的新型换代产品,广泛应用于冶金、矿山、电力建材、化工、食品等行业的通风除尘或物料输送系统中,是一种理想的流量调节和工业控制装置。
型号编制说明
